BB贝博灵犀X1 PowerFlow R系列执行器产品手册

发布时间:2025-01-14 16:12:44

1. 安全须知


· 了解产品:在使用该产品之前,请仔细阅读产品手册,了解产品的功能、操作方式以及安全注意事项。

· 遵循使用要求:确保机器在适宜环境中进行使用,避免过高或过低的温度、潮湿环境等。

· 电源安全:操作前确保所有电缆、插头、插座完好无损。遇到异常情况(如短路、过热等)时立即断开电源。

· 定期检查:定期进行维护和检查,确保机器的组件如电机、电源等正常运行,避免因老化或损坏导致的危险。

· 防止误用:确保机器不会用于任何不当、危险或法律禁止的场景。



2. 产品简介

2.1 产品概述

BB贝博灵犀X1 PowerFlow R系列执行器包含三款,分别为 PowerFlow R86-3, PowerFlow R86-2, PowerFlow R52。它们通过高度集成一体化的设计,将减速器、电机、电机驱动器进行整合优化,各模块结构紧凑,便于安装拆卸。

其中PowerFlow R86-3和R86-2 电机都采用了经典分数槽配合,选取最优的极槽配合,有效降低了齿槽转矩幅值和转矩波动,在绕组上,采用了集中式绕组,提高了槽满率和转矩密度。减速方式采用行星减速器,PowerFlow R86-3采用了三级减速比(48:1),而PowerFlow R86-2则采用了二级减速比(16:1)。

27.png

PowerFlow R86-3执行器

28.png


 PowerFlow R86-2执行器


PowerFlow R52减速方式也为行星减速器,采用了二级减速比(36:1)

29.png

 PowerFlow R52执行器

R系列三款执行器都具有很高的承载能力和寿命;同时自研了高集成的驱动方案,双编码器反馈实现闭环控制,使其具备速度环、力矩环、位置环、MIT混合控制;不仅如此,还具备过流、过压欠压、超速、过温等多重保护机制,保证产品稳定可靠运行。


2.2 主要特性

· 低成本QDD关节

· 中空走线*

· 高集成度FOC驱动

· 多圈绝对值编码方案

· 模块化动力配置

*只有PowerFlow R86-3和R86-2采用了中空走线


2.3 产品参数


PowerFlow   R系列执行器性能规格表

类型

参数单位PFR86-3PFR86-2 PFR52

关节性能参数

电机极对数

/14147

工作电压

V DC15~5515~5515~55

额定电压

V DC484848

额定转速

rpm307050

额定电流

Arms10.49.81.9

额定转矩

N.m60206

峰值电流

Arms35426.8

峰值转矩

N.m2008019

峰值转速

rpm85260130

反电动势系数

Vrms/Krpm133.6133.6228.6

转矩系数

N.m/A3.971.3661.894
减速器参数

减速比

/481636

减速器背隙

arcmin181212
其他

重量

kg1.280.810.45


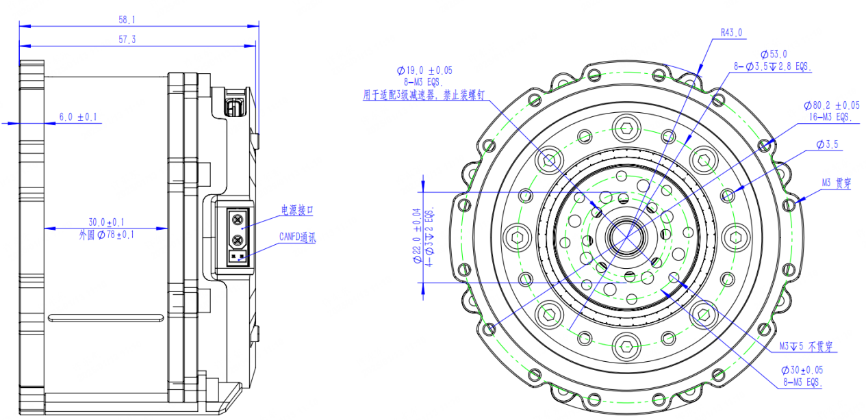
3. 产品尺寸信息

PowerFlow R86-3产品尺寸信息

30.png

PowerFlow R86-2产品尺寸信息

31.png

PowerFlow R52产品尺寸信息

32.png


4. 电气接口互联

R系列三款执行器,电气接口采用归一化设计,三款执行器的接口引脚定义如下,

电源CAN通讯口引脚定义:XT30(2+2)

序号

PIN定义

功能描述

1

PGND

总电源地

2

DC-BUS

总电源输入  48V

3

CAN_L

CAN总线-

4

CAN_H

CAN总线-

3PIN烧录口引脚定义:

序号

PIN定义

功能描述

1

SWDIO

烧录数据线

2

SWCLK

烧录时钟线

3

GND

电源地



5. CMD上位机控制方式

下载上位机软件REF-CLI v1.0.3.exe

R系列执行器基本操作所需要的命令如下:

ref0    #查看关节固件信息  fw_version=329(v3版本);fw_version=327(v2版本)
  ref0.motor.config  #查看关节参数信息
  ref0.motor.request_state(1) #关节使能(状态:绿灯常亮)
  ref0.motor.request_state(0) #关节失能(状态:绿灯闪烁)
  ref0.motor.config.ctrl_mode=0/1/2/3/4/5/6 #切换不同模式,针对关节进行控制,整机使用默认模式6才可以
  # 0 电流环模式
  # 1 电流环梯形加减速模式
  # 2 速度环
  # 3 速度环梯形加减速模式
  # 4 位置环模式
  # 5 位置环梯形加减速模式
  # 6 MIT模式        
  ref0.motor.ctrl.set_vel(0)  #速度模式下,输出转速为0rad/s,设置为(1)为正向,设置为(-1)为反向
  ref0.motor.ctrl.set_cur(0)  #电流环模式下,输出控制电流0A,方向设置同转速一致
  ref0.motor.ctrl.set_pos(0)  #位置环模式下,输出位置为0点位置
  ref0.motor.ctrl.set_mit((0),(0),(0),(0),(0))  #MIT模式下,输出控制
  ref0.can_node_id=1  #设置关节ID号
  ref0.save_config()  #保存参数设置
  ref0.motor.apply_user_offset() #设置关节零位
  ref0.save_config()  #保存参数设置

执行器报红灯指南:

ref0.motor.error_code  #查询故障代码
  # 0 代表无错误
  # 2 代表过压
  # 4 代表欠压
  # 8 代表超过转速限制
  # 16 代表mos温度超过限制
  # 32 代表过流
  # 512 代表关节未标定
  # 256 代表关节标定失败

出于保护使用者,执行器做了电流保护功能,输出力矩会受到影响,如需放开限制,请输入以下代码操作:

ref0.motor.config.current_limit=70    #修改线电流限制 86-2/3的阈值是70A,52-2的阈值是12A
  ref0.motor.config.protect_over_current=30    #修改母线电流限制 86-2/3的阈值是30A,52-2的阈值是8A
  ref0.save_config()  #保存以上参数设置


6. 通信接口及协议

PowerFlow R系列执行器支持 CANFD 通信方式,仲裁域波特率 1M,采样点80%,数据域波特率5M,采样点75%。


6.1 使能 / 失能

执行器在控制之前需要先使能,控制协议如下:

MSG ID

DLC

D0

D1

can_node_id

2

Cmd

State

  • can_node_id: 执行器的节点ID,可通过上位机进行修改

  • Cmd: 0x01

  • State: 目标状态,00 失能,01 使能

发送后可根据 6.1.3上行状态中的 "State" 字段来判断是否使能成功。


6.2 MIT模式控制

使用MIT模式前,需要根据上位机将执行器的控制模式切换至 "6 MIT模式",该模式可以保存,上电后自动切换。

MIT模式控制目前只支持在广播模式下运行,广播模式说明如下:

MSG ID

DLC

D0 - D7

D8 - D15

D16 - D23

D24 - D31

D32 - D39

D40 - D47

D48 - D55

D56 - D63

0

64

id 1

id 2

id 3

id 4

id 5

id 6

id 7

id 8

广播模式下,报文ID固定为0,数据域长度为64。

每个节点根据其ID选用数据域中的8个字节,例如 ID为2的执行器取用的数据段为 D8 - D15。

注:由于数据长度有限,该模式下每条总线最多串联8个节点,ID设置的范围为 1 - 8 。

 

每个执行器取用广播帧中的8个字节,定义如下:

D0

D1

D2

D3

D4

D5

D6

D7

Pos [15:8]

Pos [7:0]

Vel [11:4]

Vel [3:0] 4bit H

Kp [11:8] 4bit L

Kp [7:0]

Kd[11:4]

Kd[3:0] 4bit H

tor[11:8] 4bit L

tor[7:0]

该模式下,所有的目标参数都有设定的限制范围,在上位机中可以使用如下命令进行查看:

ref0.motor.config.mit_params     // 打印所有MIT模式参数

默认情况下,出厂设置为:

型号

Pos Max   (rad)

Vel (rad/s)

Tor (Nm)

Kp

Kd

R86 - 3

-6.28 ~ 6.28

-12.56 ~ 12.56

-100 ~ 100

 0 ~ 500

0 ~ 8

R86 - 2

-6.28 ~ 6.28

-12.56 ~ 12.56

-100 ~ 100

 0 ~ 500

0 ~ 8

R52

-6.28 ~ 6.28

-12.56 ~ 12.56

-50 ~ 50

 0 ~ 500

0 ~ 8

在下发控制报文时,需要把目标值的浮点数转为整形填入报文,参考转换方法如下,需要传入范围值与目标值,以及数据占用的位数

int MitFloatToUint(float x, float x_min, float   x_max, int bits) {
    /// Converts a float to an unsigned   int, given range and number of bits ///
    float span = x_max - x_min;
    float offset = x_min;
    return (int)((x - offset) *   ((float)((1 << bits) - 1)) / span);
  }

例如,目标位置值的转换,需要按照如下方法调用,然后将转换完成的目标值填入报文对应的字段即可。

int pos_cmd = MitFloatToUint(target_pos, -6.28,   6.28, 16);

 


6.3 上行状态

每当执行器收到一帧数据并成功解析后,会上报一帧状态数据,具体定义如下所示:

MSG ID

DLC

D0

D1

D2

D3

D4

D5

D6

D7

can_node_id

8

Pos [15:8]

Pos [7:0]

Vel [11:4]

Vel [3:0] 4bit H

Cur [11:8] 4bit L

Cur [7:0]

Error Code 4bit H

State 3bit

Heartbeat 1bit L

Reserved

•           MSG ID: 执行器的节点ID,在上位机中对应 ref0.can_node_id

•           State: 执行器当前的状态,00 为失能,01 为使能

•           Hearbeat:心跳数据包,每次发送数据都会取反一次

•           ErrorCode: 错误码,对应下方表格数据取 log2

错误码

错误描述

0

无错误

0x0001

控制模式无效

0x0002

过压

0x0004

欠压

0x0008

过速

0x0010

过温

0x0020

过流

0x0040

相电阻超出范围

0x0080

相电感超出范围

0x0100

极对数超出范围

0x0200

未校准

上报的状态数据中包含扭矩速度位置等信息,需要参考以下方法将整形数据从报文中取出,并转成浮点值,使用方法和数据范围参考6.2小节。

float MitUintToFloat(int x_int, float x_min, float   x_max, int bits) {
    /// converts unsigned int to float,   given range and number of bits ///
    float span = x_max - x_min;
    float offset = x_min;
    return ((float)x_int) * span /   ((float)((1 << bits) - 1)) + offset;
  }

 


7. 其他

本手册基于 PowerFlow R86-3 硬件 Ver3.0/Ver1.3, PowerFlow R86-2 硬件 Ver3.0/Ver1.3, PowerFlow R52 硬件 Ver3.0/Ver1.3,驱动软件版本Ver3.2.7(V1.3硬件)以及Ver3.2.9(V3.0硬件)编写。

其他产品手册中未注明事项,请查阅BB贝博官网,或联系BB贝博服务人员获取信息。